首页
关于长晶
发展历程
企业介绍
加入长晶
新闻中心
产品中心
安博在线登录官网
三极管
MOSFET
IC产品
IGBT
IPM
第三代半导体
汽车电子
其他
应用领域
质量体系
质量方针
体系证书
环境物质检测报告
安博(中国)
EN
EN
首页
>>
产品中心
>>
汽车电子
>>
车规级安博在线登录官网
>>
ESD安博在线登录官网
>>
搜索
ESD安博在线登录官网
Part Number
Download
Status
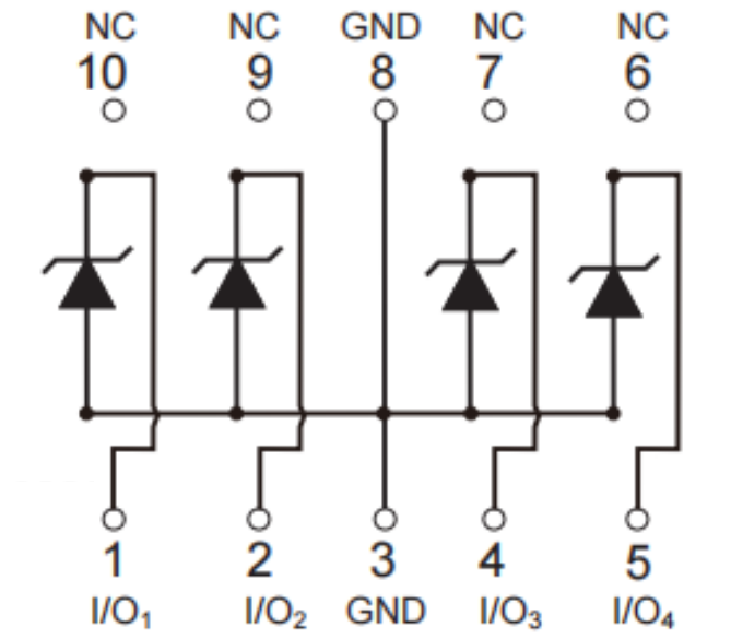
Circuit
Ppp
(W)
VRWM
(V)
VBRMin
(V)
VBRMax
(V)
IR
(uA)
CJ
(PF)
VC
(V)
IPP
(A)
Package
Reset
Reset All
Active
OK
Reset
OK
Reset
OK
Reset
OK
Reset
OK
Reset
OK
Reset
OK
Reset
OK
Reset
OK
Reset
DFNWB0.6x0.3-2L
DFNWB0.6×0.3-2L
DFNWB1.0×0.6-2L
DFNWB2.5×1-10L
SOD-123
SOD-323
SOD-523
SOT-23
SOT-23-6L
SOT-323
SOT-353
SOT-363
SOT-523
WBFBP-02C
WBFBP-02C-A
OK
Reset
AD-ESD12VK4
Active
220
12
13.3
16.5
1
45
24
9
SOT-23-6L
AD-ESDBKV3V3D3
Active
1120
3.3
4.2
5.8
5
4.3
40
28
SOD-323
AD-ESDU3V3AG4
Active
80
3.3
4
-
1
0.6
12
4
DFNWB2.5×1-10L
AD-ESDU5V0AG4C
Active
19
5
5.6
-
1
0.8
3.88
5
DFNWB2.5×1-10L
AD-CESD12VCP
Active
220
12
13.3
16.5
1
45
24
9
SOT-23
AD-ESDBEB3V3I1S
Active
40
3.3
5.5
8.8
0.5
0.3
6.6
6
SOD-323
AD-ESDBEB5V0B1
Active
210
5
6.7
-
0.1
0.5
19
11
DFNWB1.0×0.6-2L
AD-ESDBEB5V0I1
Active
104
5
6.5
10
0.5
0.3
26
4
SOD-323
AD-ESDBEL5V0I1
Active
288
5
6
9
0.5
1.5
16
18
SOD-323
AD-CESD5V0K5
Active
60
5
6
7.2
5
30
12
5
SOT-363
AD-ESD24VCP
Active
406
24
26.7
33
1
36
58
7
SOT-23
AD-DTESDBLC5V0LED02
Active
50
5
5.8
8.3
0.1
15
10
5
WBFBP-02C
AD-ESDBL5V0AE1
Active
50
5
5.8
8.3
0.1
15
10
5
DFNWB0.6x0.3-2L
AD-ESDBL5V0Y1
Active
120
5
5.8
8.3
0.1
15
15
8
WBFBP-02C-A
AD-CESDLC3V0J4
Active
20
3
5.3
5.9
1
9
8
2.5
SOT-353
AD-ESDBL12VY1
Active
92
12
14
-
0.1
12
23
4
WBFBP-02C-A
AD-CESD3V3D3
Active
210
3.3
5
5.9
10
120
13
16
SOD-323
AD-ESDT12VD3
Active
1600
12
13.3
16.5
1
300
32
50
SOD-323
AD-ESD5V0AE1
Active
117
5
5.8
9.4
1
55
13
9
DFNWB0.6x0.3-2L
AD-ESDL24VAE1
Active
90
24
25
33
1
13
36
2.5
DFNWB0.6x0.3-2L
«
1
2
3
4
5
»
导出Excel
开云app官方在线入口
|
开云电子
|
开云网页版页面
|
开云官方站在线登入
|
乐竞官网平台
|
星空网页版
|
米兰网页版
|
FH在线注册
|
多宝app官网
|